Позвони мне
Внутренние:+86-18169817259
Зарубежные:+86-13790081902
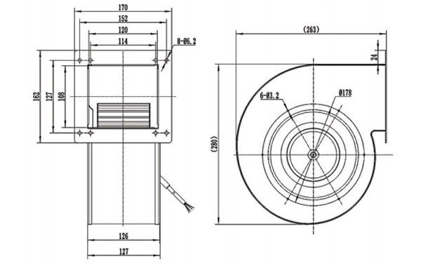
Материал: Турбинка сделанная из гальванизированной плиты, снабжения жилищем переченя сделанного крут-свернутого стального листа
Подшипник: шариковый подшипник
Контроль скорости: управляющий вход 0-5/10 В или ШИМ
Рабочая температура: -25 ~ 60 ° C
Класс изоляции: B
Класс защиты: IP44

Производительность:

Рабочая точка | Статическое давление (Па) | Воздушный поток (м3/Ч) | Скорость (об/мин) | Мощность (Вт) |
1 | 180 | 720 | 1500 | 145 |
2 | 320 | 630 | 1750 | 150 |
3 | 420 | 560 | 1950 | 152 |
Вентилятор Модель | Тип двигателя | Напряжение | Мощность | Текущий | Скорость | Воздушный поток | Шум |
(V) | (Вт) | (А) | (Об/мин) | (М3/Ч) | Lp: дБ (A) | ||
DG180B-D092A8-** | DM092 | DC48V | 145 | 3,5 | 1200 | 820 | 63 |
DG180B-D092A0-** | DC310 | 150 | 0,85 | 1200 | 820 | 63 |