Позвони мне
Внутренние:+86-18169817259
Зарубежные:+86-13790081902
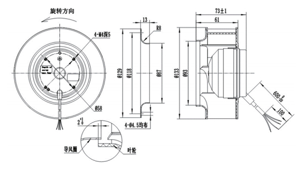
Материал: рабочее колесо из PA66
Подшипник: шариковый подшипник
Контроль скорости: метчики переключения передач (многоскоростной продукт)
Рабочая температура: -25 ~ 55 ° C
Класс изоляции: F
Класс защиты: IP44
Утверждения: CCC, CE

Производительность:

Рабочая точка | Статическое давление (Па) | Воздушный поток (м3/Ч) | Скорость (об/мин) | Мощность (Вт) |
1 | 40 | 200 | 2550 | 28 |
2 | 72 | 174 | 2650 | 28 |
3 | 95 | 148 | 2640 | 28 |
4 | 110 | 125 | 2635 | 28 |
5 | 125 | 100 | 2625 | 28 |
Вентилятор Модель | Тип двигателя | Напряжение | Мощность | Текущий | Скорость | Воздушный поток | Шум |
(V) | (Вт) | (А) | (Об/мин) | (М3/Ч) | Lp: дБ (A) | ||
BC133A-A072A2-** | АМ072А | AC230/50 Гц | 28 | 0,13 | 2550 | 220 | 55 |