Позвони мне
Внутренние:+86-18169817259
Зарубежные:+86-13790081902
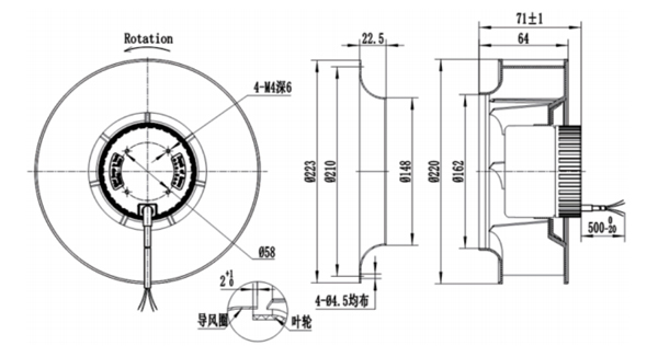
Материал: рабочее колесо из PA66
Подшипник: шариковый подшипник
Контроль скорости: управляющий вход 0-5/10 В или ШИМ
Рабочая температура: -25 ~ 60 ° C
Класс изоляции: B
Класс защиты: IP44
Утверждения: CCC, CE

Производительность:

Рабочая точка | Статическое давление (Па) | Воздушный поток (м3/Ч) | Скорость (об/мин) | Мощность (Вт) |
1 | 100 | 880 | 3096 | 120 |
2 | 195 | 770 | 3075 | 134 |
3 | 285 | 660 | 3050 | 138 |
4 | 360 | 550 | 3050 | 138 |
Вентилятор Модель | Тип двигателя | Напряжение | Мощность | Текущий | Скорость | Воздушный поток | Шум |
(V) | (Вт) | (А) | (Об/мин) | (М3/Ч) | Lp: дБ (A) | ||
BC220A-D092A6-** | DM092A | DC24 | 107 | 4,45 | 3100 | 990 | 76 |
BC220A-D092A8-** | DC48 | 108 | 2,24 | 3100 | 990 | ||
BC220A-D092A0-** | DC310 | 105 | 0,75 | 3500 | 990 |