Позвони мне
Внутренние:+86-18169817259
Зарубежные:+86-13790081902
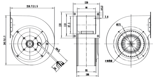
Материал: Рабочее колесо из оцинкованной пластины. Спиральный корпус из холодного проката листовой стали
Подшипник: шариковый подшипник
Контроль скорости: метчики переключения передач (многоскоростной продукт)
Рабочая температура: - 25 ~ 55 ° C
Класс изоляции: F
Класс защиты: IP42
Утверждения: CCC, CE

Производительность:

Рабочая точка | Статическое давление (Па) | Воздушный поток (м3/Ч) | Скорость (об/мин) | Мощность (Вт) |
1 | 75 | 600 | 1260 | 125 |
2 | 125 | 530 | 1310 | 115 |
3 | 180 | 450 | 1380 | 105 |
Вентилятор Модель | Тип двигателя | Напряжение | Мощность | Текущий | Скорость | Воздушный поток | Шум |
(V) | (Вт) | (А) | (Об/мин) | (М3/Ч) | Lp: дБ (A) | ||
DG180A-A092D2-02 | АМ092Д | AC230/50 Гц | 120 | 0,65 | 1200 | 680 | 56 |